网站首页
关于波尼亚
集团简介
董事长致辞
发展历程
企业文化
荣誉资质
研发中心
安全工程
波尼亚产业链
平度波尼亚
临沂波尼亚
波尼亚畜牧
鲜直客电子商务
开云online(中国)
烤肠
火腿
冷鲜肉
生鲜调理
快厨
寻味波尼亚
招商加盟
新闻中心
公司动态
品牌活动
美味食谱
视频中心
人才战略
人才理念
招聘信息
团队风采
联系我们
联系方式
门店查询
热门搜索:
肉制品加工
食品配餐服务
波尼亚熟食加盟
波尼亚烤肠加盟
全国服务热线:
4000-658-928
当前位置
:
首页
»
公司动态
»
大豆蛋白制品管理看板
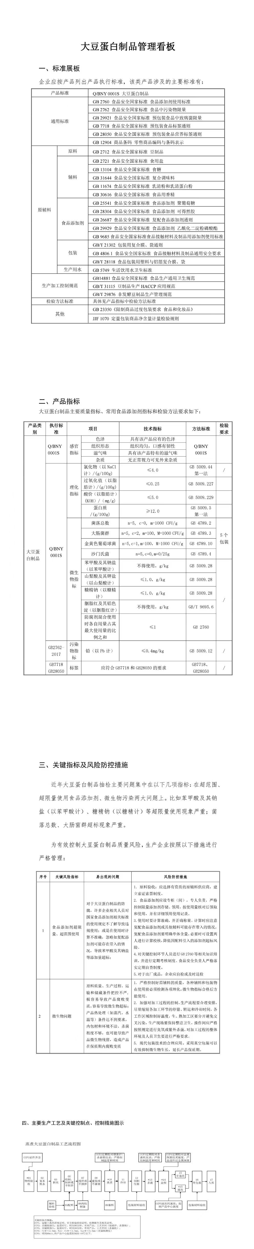
大豆蛋白制品管理看板
来源:波尼亚
查看手机网址
扫一扫!
扫一扫!
浏览:
-
发布日期:2022-08-27 08:35:17【
大
中
小
】
下一篇:
酱卤肉制品“三标”工作管理看板
上一篇:
“疫”路同行,众志成城!波尼亚再行动,继续助力疫情防控!
“
推荐阅读
”
【本文标签】:
肉制品加工
食品配餐服务
波尼亚熟食加盟
波尼亚烤肠加盟
【责任编辑】:
波尼亚
版权所有:
转载请注明出处
波尼亚推荐
波尼亚青岛圆火腿
波尼亚黑森林火腿
波尼亚无淀粉大肉块火腿
波尼亚无淀粉烤肠
波尼亚老式大红肠
相关公司动态
关于我司产品执行国家标准的公开说明
波尼亚开启集团化发展新征程!
酱卤肉制品“三标”工作管理看板
大豆蛋白制品管理看板
“疫”路同行,众志成城!波尼亚再行动,继续助力疫情防控!
同心抗“疫”,波尼亚在行动
平度波尼亚食品有限公司2021年度社会责任报告
捐款献爱心,波尼亚在行动
波尼亚春节礼盒走俏春节,火爆销售中!
病魔无情人有情,爱心捐款传递真情
最新资讯文章
公益无界 大爱无疆 波尼亚赴西藏援助希望小学活动
搭建创业平台,助力人才发展
熟制动物性水产制品“三标”工作管理看板
病魔无情人有情,爱心捐款传递真情
波尼亚荣获“青岛市诚信企业”称号
高馋预警!西红柿土豆炖牛肉
国家商务部领导高度评价波尼亚食品安全工程
捐款献爱心,波尼亚在行动
就让烦恼在此刻''冬''结吧!
“疫”路同行,众志成城!波尼亚再行动,继续助力疫情防控!
咨询
4000-658-928
留言
TOP
华体app登录入口
|
开云app登录入口
|
星空网页版登录入口
|
江南手机网页版登录入口
|
球友会手机网页版登录入口
|
好博网页版
|
华体网电脑版
|
开云官方app下载站-开云(中国)
|
星空网页版登录入口
|